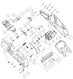
1 | Корпус , Двигатель | CSB400 Пила аккумуляторная Чемпион | Запчасти, сервис, ремонт
2 | Бак масляный, Маслонасос | CSB400 Пила аккумуляторная Чемпион | Запчасти, сервис, ремонт