1 ЯКОРЬ - ЩЕТКИ - СТАТОР - НОЖ - ВЫКЛЮЧАТЕЛЬ | Запчасти для измельчителя чемпион SH251 | Поставка по России | Магазин-Сервис в СПБ |
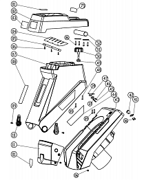
2 КОРПУС | Запчасти для измельчителя чемпион SH251 | Поставка по России | Магазин-Сервис в СПБ |
3 КОЛЕСА | Запчасти для измельчителя чемпион SH251 | Поставка по России | Магазин-Сервис в СПБ |