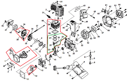
1 КАРБЮРАТОР - ПОРШЕНЬ - ЦИЛИНДР - ФИЛЬТР - СТАРТЕР - МАГНЕТО | Запчасти для мотопомпы чемпион GP26-II | Поставка по России | Магазин-Сервис в СПБ |
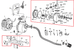
2 КОРПУС ПОМПЫ - САЛЬНИК - КРЫЛЬЧАТКА - УЛИТКА | Запчасти для мотопомпы чемпион GP26-II | Поставка по России | Магазин-Сервис в СПБ |
Масло, свечи для мотопомпы | Чемпион GP26-II | Магазин Service - Champion