Назад

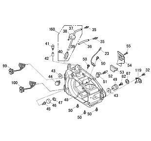
6 | Запчасти для бензопилы чемпион 125-Т | | обновлённая деталировка после 15.01.2023 года | СЦЕПЛЕНИЕ - ЗВЕЗДОЧКА - МАСЛОНАСОС | Поставка по России | Магазин-Сервис в СПБ |

Ссылка Артикул Наименование детали Используется штук Количество Цена
27 YD2500-90201

Винт М4х14
Используется в агрегатах

Недоступен к заказу

32 YD2500-91324

Винт самонарезающий ST4.2х13
Используется в агрегатах

Недоступен к заказу

105 YD2500-17303

Уплотнительпоролоновый
Используется в агрегатах

Недоступен к заказу

106 040320001

Фильтр масляный
Используется в агрегатах

61 i
107 YD2500-17128

Шланг масляный всасывающий
Используется в агрегатах

96 i
108 1800004

Маслонасос
Используется в агрегатах

307 i
109 YD2500-17003

Шланг напорный
Используется в агрегатах

82 i
110 YD2500-17301

Крышкамаслонасоса
Используется в агрегатах

223 i
111 YD3800-17208

Шайба 10х18х1
Используется в агрегатах

Недоступен к заказу

112 1800009

Червяк привода маслонасоса
Используется в агрегатах

174 i
113 YD2500-96112

Подшипник K101313 10х13х13
Используется в агрегатах

202 i
114 1000029

Барабан сцепления
Используется в агрегатах

580 i
115 YD2500-22101

Шайба сцепления
Используется в агрегатах

Недоступен к заказу

116 YD2500-22113

Пружинасцепления
Используется в агрегатах

78 i
117 YD2500-22112

Колодкасцепления
Используется в агрегатах

Недоступен к заказу

163 YD2500-22110

Сцепление в сборе
Используется в агрегатах

534 i