Назад

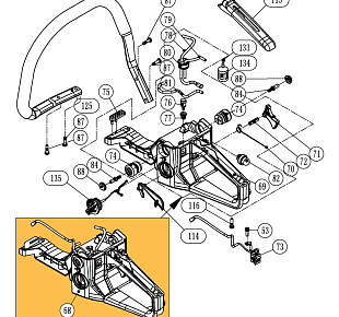
7 ТОРМОЗ ЦЕПИ | Запчасти для бензопилы чемпион 250 | Поставка по России | Магазин-Сервис в СПБ |

Ссылка Артикул Наименование детали Используется штук Количество Цена
1 030501018

Крышка тормоза в сборе (силумин желтая)
Используется в агрегатах

1345 i
2 030501018

Крышка тормоза в сборе (силумин желтая)
Используется в агрегатах

1345 i
3 4014014101

Накладка крышки тормоза
Используется в агрегатах

161 i
4 04100606020

Лента тормоза
Используется в агрегатах

215 i
5 1755204

Винт 4,2х8
Используется в агрегатах

Недоступен к заказу

6 040606002

Боковой лист на крышку
Используется в агрегатах

82 i
7 1755252

Втулка пружины
Используется в агрегатах

Недоступен к заказу

8 1755253

Пружина ручки тормоза
Используется в агрегатах

Недоступен к заказу

9 1755254

Шайба
Используется в агрегатах

Недоступен к заказу

10 1755255

Втулка
Используется в агрегатах

Недоступен к заказу

11 1755256

Гайка М5
Используется в агрегатах

Недоступен к заказу

12 171372142

Винт 4,2х10
Используется в агрегатах

181 i
13 17250250

Крышка механизма тормоза
Используется в агрегатах

Недоступен к заказу

14 171372142

Шестерня натяжителя цепи
Используется в агрегатах

181 i
15 4015002102

Винт натяжения цепи
Используется в агрегатах

148 i
16 4015004102

Палец натяжения цепи
Используется в агрегатах

108 i
17 1755234

Рычаг тормозного механизма
Используется в агрегатах

Недоступен к заказу

18 02050020127

Палец 3х9
Используется в агрегатах

274 i
19 1755236

Рычаг промежуточный
Используется в агрегатах

Недоступен к заказу

20 1755237

Рычаг пружины тормоза
Используется в агрегатах

Недоступен к заказу

21 1755238

Пружина тормоза основная
Используется в агрегатах

Недоступен к заказу

22 1755239

Пружина тормоза дополнительная
Используется в агрегатах

Недоступен к заказу

23 1755240

Палец ручки тормоза
Используется в агрегатах

Недоступен к заказу

24 040108047

Ручка тормоза
Используется в агрегатах

246 i
25 1755243

Шайба стопорная
Используется в агрегатах

Недоступен к заказу

26 040108047

Плата ручки тормоза
Используется в агрегатах

246 i
27 1755241

Болт М5х35
Используется в агрегатах

Недоступен к заказу

28 1755245

Шайба стопорная
Используется в агрегатах

Недоступен к заказу

29 1400007

Гайка крепления крышки М8х1,25
Используется в агрегатах

91 i
30 4015004203

Натяжитель цепи в сборе
Используется в агрегатах

367 i