Назад

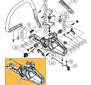
7 | Запчасти для бензопилы чемпион 251 | обновлённая деталировка после 15.01.2023 года | СТАРТЕР |

Ссылка Артикул Наименование детали Используется штук Количество Цена
58 YD4500-90023

Винт
Используется в агрегатах

Недоступен к заказу

96 YD520016-25000

Стартер в сборе
Используется в агрегатах

1345 i
97 YD520016-25110

Крышка стартера пустая
Используется в агрегатах

1177 i
98 YD2500-25302

Втулка крышки стартера
Используется в агрегатах

Недоступен к заказу

99 YD2500-25312

Шайба упорная
Используется в агрегатах

Недоступен к заказу

100 C6001

Шнур стартера 3мм (укоротить)
Используется в агрегатах

1520 i
101 YD2500-25313

Пружина
Используется в агрегатах

Недоступен к заказу

102 1700003

Ручка стартера
Используется в агрегатах

150 i
103 YD2500-25318

Шайба
Используется в агрегатах

Недоступен к заказу

104 YD45004-25211

Барабан стартера
Используется в агрегатах

235 i
105 080909050100

Пружинанакопительная
Используется в агрегатах

318 i
106 YD4500-25212

Пружина возвратная, комплект с корпусом
Используется в агрегатах

350 i
107 YD4500-25212

Пружина возвратная, комплект с корпусом
Используется в агрегатах

350 i
108 YD38002-25215

Храповикстартера
Используется в агрегатах

227 i
109 YD6200-93013

Шайба
Используется в агрегатах

Недоступен к заказу

110 YD2500-91332

Винт
Используется в агрегатах

Недоступен к заказу

113 YD520014-15120

Кожух крыльчатки маховика
Используется в агрегатах

245 i