 |
1 |
8422-000006-0000020 |
Кабель питания с вилкой
Используется в агрегатах
|
|
|
Недоступен к заказу |
|
 |
2 |
207090100004 |
Втулка кабельная
Используется в агрегатах
|
|
|
Недоступен к заказу |
|
 |
3 |
8SJGB40-12D |
Винт
Используется в агрегатах
|
|
|
Недоступен к заказу |
|
 |
4 |
8184-282102-0001720 |
Хомут кабельный
Используется в агрегатах
|
|
|
Недоступен к заказу |
|
 |
5 |
8411-522201-0000030 |
Колодка клеммная
Используется в агрегатах
|
|
|
Недоступен к заказу |
|
 |
6 |
8342-463002-0000000 |
Пружина курка
Используется в агрегатах
|
|
|
Недоступен к заказу |
|
 |
7 |
8312-433501-0016610 |
Кнопка разблокировки включения
Используется в агрегатах
|
|
|
Недоступен к заказу |
|
 |
8 |
8342-740201-0000000 |
Пружина кнопки
Используется в агрегатах
|
|
|
Недоступен к заказу |
|
 |
9 |
202004001219 |
Курок
Используется в агрегатах
|
|
|
Недоступен к заказу |
|
 |
11 |
8326-491801-0000010 |
Демпфер
Используется в агрегатах
|
|
|
Недоступен к заказу |
|
 |
12 |
8186-752801-0000010 |
Пластина
Используется в агрегатах
|
|
|
Недоступен к заказу |
|
 |
13 |
8SNAB30-10D |
Винт самонарезающий
Используется в агрегатах
|
|
|
Недоступен к заказу |
|
 |
31 |
201053000026 |
Тяга газа
Используется в агрегатах
|
|
|
Недоступен к заказу |
|
 |
32 |
202022000145 |
Рычаг промежуточный
Используется в агрегатах
|
|
|
52 i |
|
 |
33 |
8086-438401 |
Палец рычага
Используется в агрегатах
|
|
|
Недоступен к заказу |
|
 |
34 |
202022000144 |
Рычаг тормоза
Используется в агрегатах
|
|
|
206 i |
|
 |
35 |
8SJGB30-16D |
Винт самонарезающий
Используется в агрегатах
|
|
|
Недоступен к заказу |
|
 |
36 |
8042-481603-0000010 |
Микровыключатель
Используется в агрегатах
|
|
|
253 i |
|
 |
37 |
8SNAB30-08D |
Винт самонарезающий
Используется в агрегатах
|
|
|
Недоступен к заказу |
|
 |
38 |
8324-481201-0000000 |
Пластина рессорная
Используется в агрегатах
|
|
|
Недоступен к заказу |
|
 |
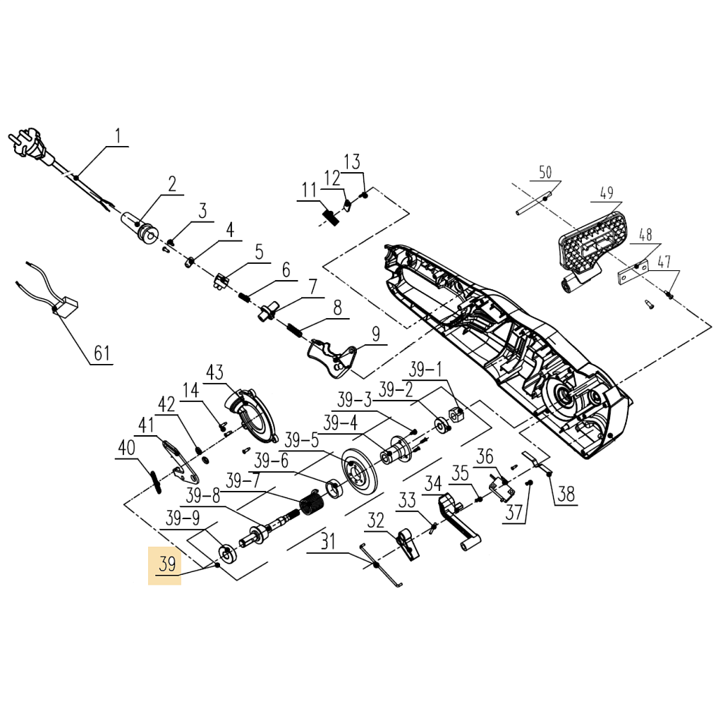
39 |
8440-435704-0000000 |
Шестерня ведомая, комплект
Используется в агрегатах
|
|
|
1655 i |
|
 |
39-1 |
8NH-08D |
Гайка М8
Используется в агрегатах
|
|
|
27 i |
|
 |
39-2 |
8BC-220807-ST03 |
Подшипник 608Z
Используется в агрегатах
|
|
|
223 i |
|
 |
39-3 |
8SEAD04-10D |
Болт
Используется в агрегатах
|
|
|
Недоступен к заказу |
|
 |
39-4 |
8347-433902-0000000 |
Вал ведомой шестерни
Используется в агрегатах
|
|
|
Недоступен к заказу |
|
 |
39-5 |
8123-433902-0000000 |
Шестерня ведомая
Используется в агрегатах
|
|
|
730 i |
|
 |
39-6 |
8063-433901-0000000 |
Втулка
Используется в агрегатах
|
|
|
Недоступен к заказу |
|
 |
39-7 |
8342-433901-0000000 |
Пружина тормоза
Используется в агрегатах
|
|
|
197 i |
|
 |
39-8 |
8085-433901-0000000 |
Вал шестерни ведомой
Используется в агрегатах
|
|
|
Недоступен к заказу |
|
 |
39-9 |
04035304001 |
Подшипник 6000-2RS
Используется в агрегатах
|
|
|
118 i |
|
 |
40 |
8342-435302-0000000 |
Пружина рычага
Используется в агрегатах
|
|
|
Недоступен к заказу |
|
 |
41 |
201028000007 |
Рычаг тормозной
Используется в агрегатах
|
|
|
Недоступен к заказу |
|
 |
42 |
207280100004 |
Втулка
Используется в агрегатах
|
|
|
Недоступен к заказу |
|
 |
43 |
202079000025 |
Крышка защитная
Используется в агрегатах
|
|
|
Недоступен к заказу |
|
 |
47 |
8SNAB29-12D |
Винт самонарезающий
Используется в агрегатах
|
|
|
Недоступен к заказу |
|
 |
48 |
8302-438801-0000000 |
Пластина
Используется в агрегатах
|
|
|
Недоступен к заказу |
|
 |
49 |
202184000038 |
Ручка тормоза
Используется в агрегатах
|
|
|
233 i |
|
 |
50 |
8081-438801-0000000 |
Ось ручки тормоза
Используется в агрегатах
|
|
|
Недоступен к заказу |
|
 |
61 |
8416-000007-0000020 |
Конденсатор
Используется в агрегатах
|
|
|
171 i |
|