 |
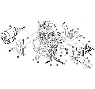
1 |
029060100401 |
Кожух защитный
Используется в агрегатах
|
|
|
Недоступен к заказу |
|
 |
2 |
029019930000 |
Указатель уровня топлива
Используется в агрегатах
|
|
|
325 i |
|
 |
3 |
029019901102 |
Крышка топливного бака
Используется в агрегатах
|
|
|
353 i |
|
 |
4 |
029019900601 |
Фильтр вставка бака
Используется в агрегатах
|
|
|
475 i |
|
 |
5 |
029012900102 |
Топливный бак
Используется в агрегатах
|
|
|
3871 i |
|
 |
6 |
029019900100 |
Шланг топливный
Используется в агрегатах
|
|
|
289 i |
|
 |
7 |
011010004300 |
Фильтр топливный
Используется в агрегатах
|
|
|
466 i |
|
 |
8 |
029961200100 |
Кран топливный (2 штуцера)
Используется в агрегатах
|
|
|
Недоступен к заказу |
|
 |
9 |
029019900200 |
Шланг топливный
Используется в агрегатах
|
|
|
674 i |
|
 |
10 |
021090400042 |
Рама
Используется в агрегатах
|
|
|
Недоступен к заказу |
|
 |
11 |
029020660032 |
Панель управления
Используется в агрегатах
|
|
|
16603 i |
|
 |
12 |
029050110001 |
Транспортировочная рукоятка
Используется в агрегатах
|
|
|
Недоступен к заказу |
|
 |
13 |
029050100701 |
Ручка рукоятки
Используется в агрегатах
|
|
|
Недоступен к заказу |
|
 |
14 |
021030010000 |
Подрамник
Используется в агрегатах
|
|
|
Недоступен к заказу |
|
 |
15 |
029050100201 |
Опора рамы
Используется в агрегатах
|
|
|
383 i |
|
 |
16 |
029910300401 |
Виброизолятор
Используется в агрегатах
|
|
|
483 i |
|
 |
17 |
C3500 |
АКБ
Используется в агрегатах
|
|
|
Недоступен к заказу |
|
 |
18 |
029969900230 |
Провод АКБ 250 мм (красный)
Используется в агрегатах
|
|
|
Недоступен к заказу |
|
 |
19 |
029969900253 |
Провод АКБ 250 мм (черный)
Используется в агрегатах
|
|
|
Недоступен к заказу |
|
 |
20 |
029050290004 |
Шплинт крепления колеса
Используется в агрегатах
|
|
|
Недоступен к заказу |
|
 |
21 |
029970000502 |
Колесо транспортировочное
Используется в агрегатах
|
|
|
1262 i |
|
 |
22 |
029050100401 |
Ось колеса
Используется в агрегатах
|
|
|
Недоступен к заказу |
|
 |
23 |
029050103301 |
Трубка крепления осей
Используется в агрегатах
|
|
|
Недоступен к заказу |
|