Назад

4 ДЕТАЛИ ДИГАТЕЛЯ - БЛОК - СВЕЧА - ГЛОВКА - КЛАПАНА - ПРОКЛАДКИ | Запчасти для генератора чемпион DG6501ES | Поставка по России | Магазин-Сервис в СПБ |

Ссылка Артикул Наименование детали Используется штук Количество Цена
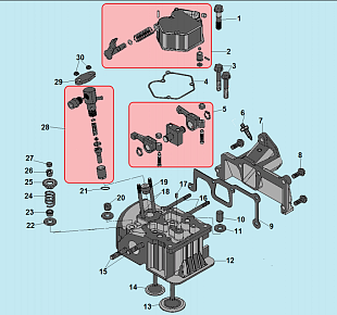
1 3037007001006

Направляющий штифт 4х8
Используется в агрегатах

Недоступен к заказу

2 3049040100201

Шпилька короткая
Используется в агрегатах

Недоступен к заказу

3 3049040100700

Прокладка головки цилиндра 0,3мм
Используется в агрегатах

169 i
3 3049040100701

Прокладка головки цилиндра 0,4мм
Используется в агрегатах

166 i
3 3049040100702

Прокладка головки цилиндра 0,5мм
Используется в агрегатах

166 i
4 3049040100501

Шпилька длинная
Используется в агрегатах

Недоступен к заказу

5 011030000400

Прокладка толкателей
Используется в агрегатах

177 i
6 3049040100102

Картер
Используется в агрегатах

22021 i
7 522010101102

Сальник коленвала правый DR35х50х8
Используется в агрегатах

433 i
8 3049041000100

Топливопровод ВД
Используется в агрегатах

826 i
9 3049041200103

Топливный насос ВД
Используется в агрегатах

6336 i
10 3037004005002

Гайка М6
Используется в агрегатах

86 i
11 3049010102500

Плата крепления ТНВД
Используется в агрегатах

Недоступен к заказу

12 3049010102600

Прокладка платы
Используется в агрегатах

Недоступен к заказу

13 3049010102400

Прокладка под ТНВД 0,1 мм
Используется в агрегатах

42 i
14 3049010102700

Шпилька крепления ТНВД
Используется в агрегатах

Недоступен к заказу

15 3049010102701

Шпилька крепления ТНВД
Используется в агрегатах

Недоступен к заказу

16 3049011101401

Панель рычагов
Используется в агрегатах

Недоступен к заказу

17 3049011100400

Пружина 1
Используется в агрегатах

Недоступен к заказу

18 3049041100100

Пружина 2
Используется в агрегатах

Недоступен к заказу

19 3049031100501

Рычаг управления ТНВД
Используется в агрегатах

Недоступен к заказу

20 522010101301

Сальник оси рычага 8х14х14
Используется в агрегатах

242 i
21 3037005011004

Шайба
Используется в агрегатах

Недоступен к заказу

22 3037009003002

Подшипник игольчатый 8х14х10
Используется в агрегатах

Недоступен к заказу

24 3049020100200

Щуп уровня масла
Используется в агрегатах

Недоступен к заказу

25 3037010002009

Кольцо уплотнительное 19,2х2,4
Используется в агрегатах

Недоступен к заказу

26 3037011004006

Уплотнительная шайба
Используется в агрегатах

Недоступен к заказу

27 3049010101400

Болт для слива масла
Используется в агрегатах

Недоступен к заказу

28 3049031100700

Контрольный болт
Используется в агрегатах

Недоступен к заказу

29 3049010100900

Пластина крепления
Используется в агрегатах

Недоступен к заказу

30 2010000061000

Воздуховод
Используется в агрегатах

Недоступен к заказу

31 3049020101800

Уплотнение воздуховода
Используется в агрегатах

Недоступен к заказу

32 2039000000012

Стартер электрический
Используется в агрегатах

11322 i