Официальный сервис
Доставка по России
Оригинальные запчасти
Для сервисных центров
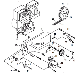
Редуктор комплект Используется в агрегатах
Корпус правая половина Используется в агрегатах
Недоступен к заказу
Подшипник верхнего вала Используется в агрегатах
Вал верхний Используется в агрегатах
Корпус левая половина Используется в агрегатах
Подшипник вала фрез Используется в агрегатах
Вал привода фрез Используется в агрегатах
Цепь приводная Используется в агрегатах
Пробка Используется в агрегатах