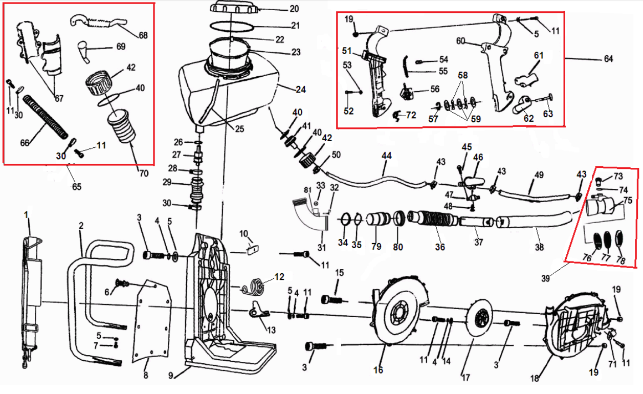
1 ПОРШЕНЬ - ЦИЛИНДР - КОЛЕНВАЛ - КОЛЬЦА - МАГНЕТО - МАХОВИК - СТАРТЕР - СЦЕПЛЕНИЕ | Запчасти для опрыскивателя чемпион PS257 | Поставка по России | Магазин-Сервис в СПБ |
2 БАК - УЛИТКА - КРЫЛЬЧАТКА | Запчасти для опрыскивателя чемпион PS257 | Поставка по России | Магазин-Сервис в СПБ |
3 НАСОС | Запчасти для опрыскивателя чемпион PS257 | Поставка по России | Магазин-Сервис в СПБ |