 |
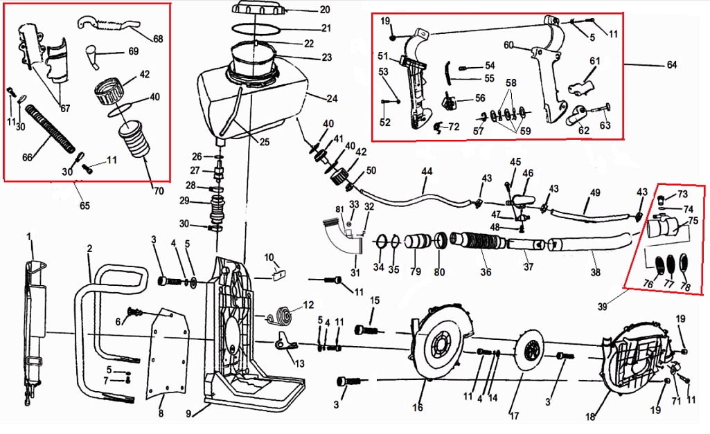
1 |
02050060010 |
Ремень подвеса
Используется в агрегатах
|
|
|
388 i |
|
 |
2 |
02010030008 |
Рама
Используется в агрегатах
|
|
|
Недоступен к заказу |
|
 |
3 |
03010040057 |
Болт М5х20
Используется в агрегатах
|
|
|
Недоступен к заказу |
|
 |
4 |
03050010015 |
Шайба 5
Используется в агрегатах
|
|
|
Недоступен к заказу |
|
 |
5 |
03040020020 |
Шайба 5
Используется в агрегатах
|
|
|
Недоступен к заказу |
|
 |
6 |
02110030174 |
Клипса
Используется в агрегатах
|
|
|
28 i |
|
 |
7 |
03010040031 |
Винт 3,5х19
Используется в агрегатах
|
|
|
Недоступен к заказу |
|
 |
8 |
02050060034 |
Задняя спинка
Используется в агрегатах
|
|
|
356 i |
|
 |
9 |
70030180327 |
Корпус
Используется в агрегатах
|
|
|
Недоступен к заказу |
|
 |
10 |
02020160618 |
Плата корпуса
Используется в агрегатах
|
|
|
Недоступен к заказу |
|
 |
11 |
03010010022 |
Болт М5х20
Используется в агрегатах
|
|
|
Недоступен к заказу |
|
 |
12 |
02020110019 |
Виброизолятор
Используется в агрегатах
|
|
|
110 i |
|
 |
12 |
02020110019 |
Виброизолятор
Используется в агрегатах
|
|
|
110 i |
|
 |
13 |
02020160051 |
Суппорт виброизолятора
Используется в агрегатах
|
|
|
Недоступен к заказу |
|
 |
14 |
03040030002 |
Шайба 5
Используется в агрегатах
|
|
|
Недоступен к заказу |
|
 |
15 |
03010060090 |
Болт М5х50
Используется в агрегатах
|
|
|
Недоступен к заказу |
|
 |
16 |
70030010028 |
Корпус крыльчатки левая
Используется в агрегатах
|
|
|
1267 i |
|
 |
17 |
70030090004 |
Крыльчатка
Используется в агрегатах
|
|
|
1027 i |
|
 |
18 |
70030010033 |
Корпус крыльчатки правая
Используется в агрегатах
|
|
|
2292 i |
|
 |
19 |
03030010013 |
Гайка М5
Используется в агрегатах
|
|
|
Недоступен к заказу |
|
 |
20 |
70030060160 |
Крышка бака для химикатов
Используется в агрегатах
|
|
|
180 i |
|
 |
21 |
02070020040 |
Кольцо уплотнительное крышки
Используется в агрегатах
|
|
|
235 i |
|
 |
22 |
70030180032 |
Пробка трубки
Используется в агрегатах
|
|
|
40 i |
|
 |
23 |
70030170004 |
Фильтр сетчатый бака
Используется в агрегатах
|
|
|
309 i |
|
 |
24 |
70050040011 |
Бак для химикатов
Используется в агрегатах
|
|
|
1671 i |
|
 |
25 |
02110030033 |
Трубка бака
Используется в агрегатах
|
|
|
641 i |
|
 |
26 |
03110020022 |
Кольцо уплотнительное
Используется в агрегатах
|
|
|
Недоступен к заказу |
|
 |
27 |
70030020018 |
Адаптер трубки бака
Используется в агрегатах
|
|
|
163 i |
|
 |
28 |
02020040026 |
Хомут 22-38
Используется в агрегатах
|
|
|
Недоступен к заказу |
|
 |
29 |
02080020011 |
Трубка гофрированная
Используется в агрегатах
|
|
|
187 i |
|
 |
30 |
02020040026 |
Хомут 22-38
Используется в агрегатах
|
|
|
Недоступен к заказу |
|
 |
31 |
70050010048 |
Колено U-образное к трубе
Используется в агрегатах
|
|
|
467 i |
|
 |
32 |
70030180023 |
Шплинт
Используется в агрегатах
|
|
|
Недоступен к заказу |
|
 |
33 |
70030030048 |
Заслонка
Используется в агрегатах
|
|
|
Недоступен к заказу |
|
 |
34 |
02020040025 |
Хомут 64-67
Используется в агрегатах
|
|
|
Недоступен к заказу |
|
 |
35 |
02020040031 |
Зажим
Используется в агрегатах
|
|
|
Недоступен к заказу |
|
 |
36 |
70050010044 |
Труба-гофра
Используется в агрегатах
|
|
|
509 i |
|
 |
37 |
70050010042 |
Труба №1 к гофре
Используется в агрегатах
|
|
|
368 i |
|
 |
38 |
70050010023 |
Труба длинная
Используется в агрегатах
|
|
|
385 i |
|
 |
39 |
61290120003 |
Сопло комплект
Используется в агрегатах
|
|
|
495 i |
|
 |
40 |
02070020026 |
Прокладка уплотнительная
Используется в агрегатах
|
|
|
Недоступен к заказу |
|
 |
41 |
70030180004 |
Штуцер
Используется в агрегатах
|
|
|
Недоступен к заказу |
|
 |
42 |
70030060048 |
Крышка штуцера
Используется в агрегатах
|
|
|
Недоступен к заказу |
|
 |
43 |
02020040005 |
Хомут
Используется в агрегатах
|
|
|
Недоступен к заказу |
|
 |
44 |
01040030011 |
Пластиковая трубка 1
Используется в агрегатах
|
|
|
199 i |
|
 |
45 |
03010030002 |
Болт М5х12
Используется в агрегатах
|
|
|
Недоступен к заказу |
|
 |
46 |
02050190033 |
Кран
Используется в агрегатах
|
|
|
169 i |
|
 |
47 |
02020160352 |
Суппорт крана
Используется в агрегатах
|
|
|
Недоступен к заказу |
|
 |
48 |
70070030022 |
Болт М4х12
Используется в агрегатах
|
|
|
731 i |
|
 |
49 |
01040030011 |
Пластиковая трубка 2
Используется в агрегатах
|
|
|
199 i |
|
 |
50 |
02020040003 |
Хомут
Используется в агрегатах
|
|
|
Недоступен к заказу |
|
 |
51 |
70030070358 |
Рукоятка правая половина
Используется в агрегатах
|
|
|
Недоступен к заказу |
|
 |
52 |
02050150039 |
Винт 3х16
Используется в агрегатах
|
|
|
Недоступен к заказу |
|
 |
53 |
70080010026 |
Шайба
Используется в агрегатах
|
|
|
Недоступен к заказу |
|
 |
54 |
70030180154 |
Штифт
Используется в агрегатах
|
|
|
Недоступен к заказу |
|
 |
55 |
02050050065 |
Контакты выключателя
Используется в агрегатах
|
|
|
Недоступен к заказу |
|
 |
56 |
70030070105 |
Выключатель
Используется в агрегатах
|
|
|
42 i |
|
 |
57 |
03120030003 |
Зажим
Используется в агрегатах
|
|
|
Недоступен к заказу |
|
 |
58 |
03040050001 |
Шайба
Используется в агрегатах
|
|
|
Недоступен к заказу |
|
 |
59 |
03040010012 |
Шайба
Используется в агрегатах
|
|
|
Недоступен к заказу |
|
 |
60 |
70030070359 |
Рукоятка левая половина
Используется в агрегатах
|
|
|
Недоступен к заказу |
|
 |
61 |
70030070134 |
Курок газа
Используется в агрегатах
|
|
|
163 i |
|
 |
62 |
70030070158 |
Фиксатор рычага газа
Используется в агрегатах
|
|
|
164 i |
|
 |
63 |
02020160350 |
Ось фиксатора
Используется в агрегатах
|
|
|
Недоступен к заказу |
|
 |
64 |
70080080116 |
Рукоятка управления комплект
Используется в агрегатах
|
|
|
1536 i |
|
 |
64 |
70080080116 |
Рукоятка управления комплект
Используется в агрегатах
|
|
|
1536 i |
|
 |
65 |
70080110019 |
Комплект для бака химикатов
Используется в агрегатах
|
|
|
269 i |
|
 |
66 |
01040030002 |
Шланг гофрированный
Используется в агрегатах
|
|
|
Недоступен к заказу |
|
 |
67 |
70050010045 |
Воздуховод
Используется в агрегатах
|
|
|
227 i |
|
 |
68 |
70050010046 |
Трубка горизонтальная
Используется в агрегатах
|
|
|
Недоступен к заказу |
|
 |
69 |
70050010047 |
Трубка вертикальная
Используется в агрегатах
|
|
|
Недоступен к заказу |
|
 |
70 |
70030100005 |
Соединитель
Используется в агрегатах
|
|
|
Недоступен к заказу |
|
 |
71 |
02020040007 |
Зажим
Используется в агрегатах
|
|
|
Недоступен к заказу |
|
 |
72 |
020200110018 |
Пружина рычага газа
Используется в агрегатах
|
|
|
Недоступен к заказу |
|
 |
73 |
70030130001 |
Регулятор сопла
Используется в агрегатах
|
|
|
Недоступен к заказу |
|
 |
74 |
03110020005 |
Кольцо уплотнительное
Используется в агрегатах
|
|
|
Недоступен к заказу |
|
 |
75 |
70030080001 |
Сопло
Используется в агрегатах
|
|
|
273 i |
|
 |
76 |
70030080016 |
Распылитель сопла (тип 1)
Используется в агрегатах
|
|
|
Недоступен к заказу |
|
 |
77 |
61290120003 |
Распылитель сопла (тип 2)
Используется в агрегатах
|
|
|
495 i |
|
 |
78 |
61290120003 |
Распылитель сопла (тип 3)
Используется в агрегатах
|
|
|
495 i |
|
 |
79 |
70030180310 |
Соединитель гофры и колена
Используется в агрегатах
|
|
|
202 i |
|
 |
80 |
02080020026 |
Кольцо уплотнительное
Используется в агрегатах
|
|
|
Недоступен к заказу |
|
 |
81 |
03060020010 |
Штифт 1х8
Используется в агрегатах
|
|
|
Недоступен к заказу |
|