Назад

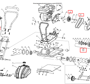
3 | ЦИЛИНДР | Запчасти для виброплиты чемпион | PC1151FT | Поставка по России | Магазин-Сервис в СПБ |

Ссылка Артикул Наименование детали Используется штук Количество Цена
1 DB07A000CH

Картер 68мм
Используется в агрегатах

4899 i
2 380650347-0001

Сальник 25х41,25х6
Используется в агрегатах

203 i
3 GFB02000

Шайба уплотнительная Al 10х16х1.5
Используется в агрегатах

40 i
4 110260025-0001

Пробка резьбовая M10х1.25х15
Используется в агрегатах

Недоступен к заказу

5 FAK000

Регулятор оборотов центробежный
Используется в агрегатах

214 i
6 27606205

Подшипник 6205
Используется в агрегатах

343 i
7 380450531-0001

Шайба
Используется в агрегатах

Недоступен к заказу

8 381350004-0001

Шплинт
Используется в агрегатах

Недоступен к заказу

9 DAL001

Вал рычага регулятора оборотов
Используется в агрегатах

127 i