Назад

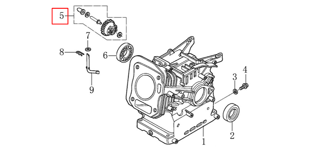
3 | ЦИЛИНДР | Запчасти для виброплиты чемпион | PC6337F | Поставка по России | Магазин-Сервис в СПБ |

Ссылка Артикул Наименование детали Используется штук Количество Цена
1 110810005-0001

Картер 68мм
Используется в агрегатах

5319 i
2 380650347-0001

Сальник 25х41,25х6
Используется в агрегатах

203 i
3 GFB02000

Шайба алюминиевая 10х16х1,5
Используется в агрегатах

40 i
4 110260025-0001

Болт для слива масла М10х15х1,25
Используется в агрегатах

Недоступен к заказу

5 FAK000

Регулятор оборотов центробежный
Используется в агрегатах

214 i
6 27606205

Подшипник коленвала 6205
Используется в агрегатах

343 i
7 380450531-0001

Шайба 6х13х1
Используется в агрегатах

Недоступен к заказу

8 381350004-0001

Шплинт
Используется в агрегатах

Недоступен к заказу

9 DAL001

Вал рычага регулятора оборотов
Используется в агрегатах

127 i